Электронасос наружный серии «Иртыш» типа ЦМК 65/330.328-90/2-200
Электронасос Иртыш ЦМК 65/330.328-90/2-200 — мощный наружный центробежный консольный насос для перекачки воды в системах водоснабжения, орошения и промышленного применения. Данная модель электронасоса Иртыш ЦМК 65/330 работает в диапазоне расходов от 75 до 150 м³/ч при напорах от 147 до 155 метров водяного столба. В этом обзоре представлены характеристики, расшифровка маркировки, чертежи и требования к системе управления электронасосом Иртыш ЦМК 65/330. Для подбора аналогов перейдите в наш каталог насосного оборудования.
Основные параметры электронасоса Иртыш ЦМК 65/330:
Расход (Q): от 75 до 150 м³/ч
Напор (H): от 147 до 155 м.в.с.
Расшифровка обозначения насоса ЦМК 65/330.328
Маркировка электронасоса Иртыш ЦМК — ЦМК 65/330.328-90/2-200 — раскрывает его конструктивные особенности:
- Ц — центробежный;
- М — моноблочный;
- К — консольный;
- 65 — диаметр напорного патрубка, мм;
- 330 / 328 — диаметры рабочего колеса, мм;
- 90 — мощность электродвигателя, кВт;
- 2 — число полюсов;
- 2 — стационарный горизонтальный;
- 0 — базовая комплектация.
Шкаф защиты для электронасоса Иртыш ЦМК 65/330
Внимание! НАСОС НЕ УКОМПЛЕКТОВАН ШКАФОМ ЗАЩИТЫ СЕРИИ ИРТЫШ!
Для безопасности электронасоса ЦМК 65/330 необходимо использовать шкаф управления серии «Иртыш». Его конструкция соответствует требованиям ГОСТ Р 52726 и ПУЭ. Производитель также рекомендует ознакомиться с рекомендациями по эксплуатации насосного оборудования. Использование другого шкафа снимает гарантийные обязательства при выходе насоса Иртыш ЦМК из строя.
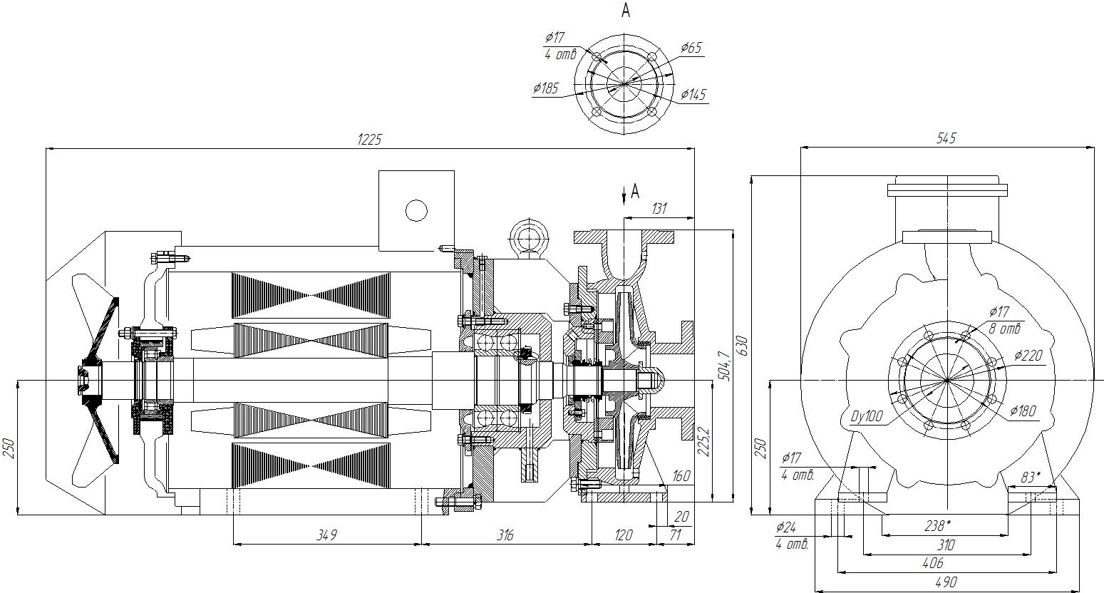
Чертеж и размеры электронасоса Иртыш ЦМК 65/330
На схеме показан общий вид и монтажные размеры моноблочного насоса ЦМК 65/330.328. Эта информация нужна для проектирования фундамента и обвязки трубопроводов насоса Иртыш ЦМК 65/330.

Внимание! Конструкция электронасоса серии «Иртыш» ЦМК может меняться. Актуальные чертежи уточняйте у менеджеров.
Параметры рабочей точки насоса Иртыш ЦМК 65/330
Основные параметры электронасоса Иртыш ЦМК 65/330 в рабочей точке:
| Производительность, Q | 130 м³/ч |
| Напор, Н | 150 м |
| Потребляемая мощность, Nпотр | 79 кВт |
Технические характеристики центробежного насоса ЦМК 65/330:
| Вариант монтажа | моноблочный горизонтальный |
| Диаметр напорного патрубка, Ду | 65 мм |
| Диаметр всасывающего патрубка, Ду | 100 мм |
| Тип рабочего колеса | многоканальное |
| Макс. размер частиц | 2 мм |
| Тип уплотнения вала | торцовое |
| Материал уплотнения | карбид кремния |
| Материал рабочего колеса | чугун СЧ20 |
| Материал корпуса | чугун СЧ20 |
Параметры электродвигателя электронасоса Иртыш ЦМК 65/330
| Номинальная мощность | 90 кВт |
| Напряжение | 380 В |
| Частота тока | 50 Гц |
| Номинальный ток | 157 А |
| Число полюсов | 2 |
| Частота вращения | 2955 об/мин |
| Сos φ | 0,93 |
| КПД двигателя | 93,4% |
| Соединение обмоток | Δ (треугольник) |
| Класс нагревостойкости | F |
| Степень защиты | IP 54 |
| Класс энергоэффективности | ie1 |
| Шкаф защиты в комплекте | нет |
График характеристик электронасоса Иртыш ЦМК 65/330
На графике показана зависимость напора, мощности и КПД насоса ЦМК 65/330 от расхода. Это основной документ для подбора электронасоса Иртыш ЦМК 65/330. Для детального изучения характеристик центробежных насосов рекомендуем ознакомиться с профильной литературой.

Ресурс насосного агрегата Иртыш ЦМК 65/330
| Наработка на отказ | 7000 часов |
| Ресурс до ТО | 20000 часов |
| Срок службы | 20 лет |
| Масса агрегата | 710 кг |
Для обеспечения ресурса моноблочного электронасоса Иртыш ЦМК 65/330 соблюдайте правила эксплуатации и применяйте рекомендованные шкафы управления.
Защиты для электронасосов «Иртыш» ЦМК 65/330
Безаварийная работа насоса серии Иртыш ЦМК 65/330 требует реализации комплекса защит:
- Защиты по встроенным датчикам;
- Автоматический выключатель по току двигателя;
- Тепловая защита двигателя;
- Контроль чередования фаз;
- Контроль напряжения;
- Защита от перегрузки и перекоса фаз;
- Контроль отсутствия фазы;
- Контроль сопротивления изоляции;
- Защита от «сухого» хода.
Для двигателей мощнее 3 кВт рекомендуются устройства плавного пуска или частотные преобразователи. Шкаф управления должен иметь ручной и автоматический режимы, кнопки «Пуск»/»Стоп» и индикацию.
Заказчик предупрежден об ответственности за выход насоса Иртыш ЦМК 65/330 из строя из-за неполного комплекса защит. Для гарантированной работы приобретайте штатные шкафы управления серии и заказывайте пусконаладочные работы у наших специалистов.

