Электронасос наружный серии «Иртыш» типа ЦМЛ 125/100.140-11/2-300
Электронасос Иртыш ЦМЛ 125/100.140-11/2-300 — наружный центробежный моноблочный насос для перекачки воды в системах водоснабжения и орошения. Данная модель электронасоса Иртыш ЦМЛ 125/100 работает в диапазоне расходов от 100 до 210 м³/ч при напорах от 12 до 13 метров водяного столба. В этом обзоре представлены характеристики, расшифровка маркировки, чертежи и требования к системе управления электронасосом Иртыш ЦМЛ 125/100. Для подбора аналогов перейдите в наш каталог насосного оборудования.
Основные параметры электронасоса Иртыш ЦМЛ 125/100:
Расход (Q): от 100 до 210 м³/ч
Напор (H): от 12 до 13 м.в.с.
Расшифровка обозначения насоса ЦМЛ 125/100.140
Маркировка электронасоса Иртыш ЦМЛ — ЦМЛ 125/100.140-11/2-300 — раскрывает его конструктивные особенности:
- Ц — центробежный;
- М — моноблочный;
- Л — линейный;
- 125 — диаметр напорного патрубка, мм;
- 100 / 140 — диаметры рабочего колеса, мм;
- 11 — мощность электродвигателя, кВт;
- 2 — число полюсов;
- 3 — стационарный вертикальный;
- 0 — базовая комплектация.
Шкаф защиты для электронасоса Иртыш ЦМЛ 125/100
Внимание! НАСОС НЕ УКОМПЛЕКТОВАН ШКАФОМ ЗАЩИТЫ СЕРИИ ИРТЫШ!
Для безопасности электронасоса ЦМЛ 125/100 необходимо использовать шкаф управления серии «Иртыш». Его конструкция соответствует требованиям ГОСТ Р 52726 и ПУЭ. Производитель также рекомендует ознакомиться с рекомендациями по эксплуатации насосного оборудования. Использование другого шкафа снимает гарантийные обязательства при выходе насоса Иртыш ЦМЛ из строя.
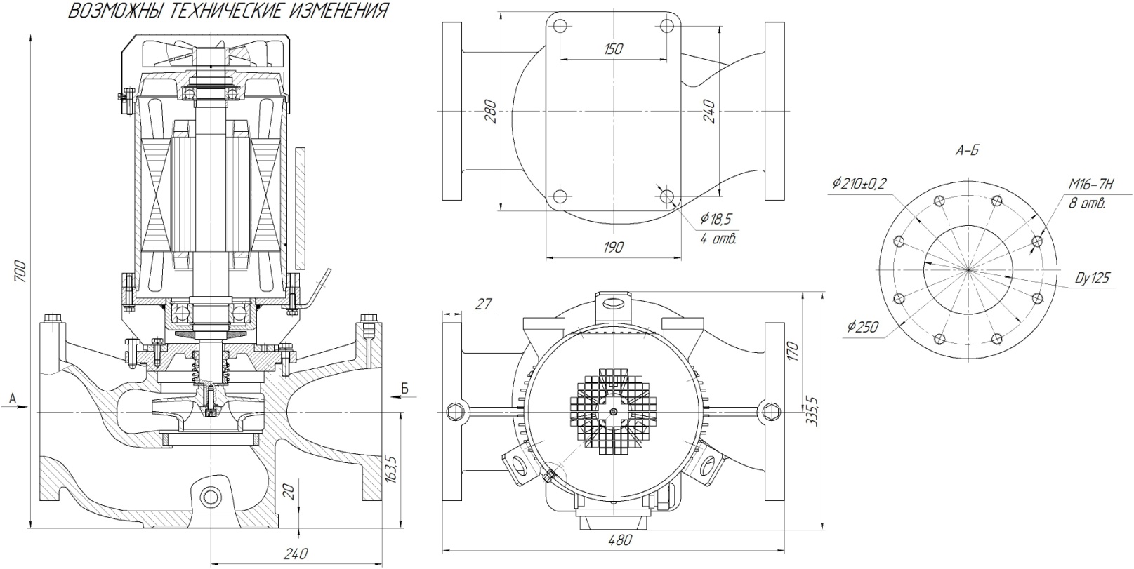
Чертеж и размеры электронасоса Иртыш ЦМЛ 125/100
На схеме показан общий вид и монтажные размеры моноблочного насоса ЦМЛ 125/100.140. Эта информация нужна для проектирования фундамента и обвязки трубопроводов насоса Иртыш ЦМЛ 125/100.

Внимание! Конструкция электронасоса серии «Иртыш» ЦМЛ может меняться. Актуальные чертежи уточняйте у менеджеров.
Устройство центробежного насоса ЦМЛ 125/100
Конструкция центробежного моноблочного насоса Иртыш ЦМЛ 125/100 включает основные узлы:
- Электродвигатель;
- Рабочее колесо (чугун СЧ20);
- Спиральный корпус (чугун СЧ20);
- Торцовое уплотнение (карбид кремния);
- Крепежные элементы.
Параметры рабочей точки насоса Иртыш ЦМЛ 125/100
Основные параметры электронасоса Иртыш ЦМЛ 125/100 в рабочей точке:
| Производительность, Q | 160 м³/ч |
| Напор, Н | 12,5 м |
| Потребляемая мощность, Nпотр | 6,6 кВт |
Технические характеристики центробежного насоса ЦМЛ 125/100:
| Вариант монтажа | в линию |
| Диаметр напорного патрубка | 125 мм |
| Диаметр всасывающего патрубка | 125 мм |
| Тип рабочего колеса | многоканальное |
| Макс. размер частиц | 2 мм |
| Тип уплотнения вала | торцовое |
| Материал уплотнения | карбид кремния |
| Материал рабочего колеса | чугун СЧ20 |
| Материал корпуса | чугун СЧ20 |
Параметры электродвигателя электронасоса Иртыш ЦМЛ 125/100
| Номинальная мощность | 11 кВт |
| Напряжение | 380 В |
| Частота тока | 50 Гц |
| Номинальный ток | 22 А |
| Число полюсов | 2 |
| Частота вращения | 2862 об/мин |
| Сos φ | 0,86 |
| КПД двигателя | 88% |
| Соединение обмоток | Y (звезда) |
| Класс нагревостойкости | F |
| Степень защиты | IP 54 |
| Класс энергоэффективности | ie1 |
| Шкаф защиты в комплекте | нет |
График характеристик электронасоса Иртыш ЦМЛ 125/100
На графике показана зависимость напора, мощности и КПД насоса ЦМЛ 125/100 от расхода. Это основной документ для подбора электронасоса Иртыш ЦМЛ 125/100. Для детального изучения характеристик центробежных насосов рекомендуем ознакомиться с профильной литературой.

Ресурс насосного агрегата Иртыш ЦМЛ 125/100
| Наработка на отказ | 7000 часов |
| Ресурс до ТО | 20000 часов |
| Срок службы | 20 лет |
| Масса агрегата | 140 кг |
Для обеспечения ресурса моноблочного электронасоса Иртыш ЦМЛ 125/100 соблюдайте правила эксплуатации и применяйте рекомендованные шкафы управления.
Защиты для электронасосов «Иртыш» ЦМЛ 125/100
Безаварийная работа насоса серии Иртыш ЦМЛ 125/100 требует реализации комплекса защит:
- Защиты по встроенным датчикам;
- Автоматический выключатель по току двигателя;
- Тепловая защита двигателя;
- Контроль чередования фаз;
- Контроль напряжения;
- Защита от перегрузки и перекоса фаз;
- Контроль отсутствия фазы;
- Контроль сопротивления изоляции;
- Защита от «сухого» хода.
Для двигателей мощнее 3 кВт рекомендуются устройства плавного пуска или частотные преобразователи. Шкаф управления должен иметь ручной и автоматический режимы, кнопки «Пуск»/»Стоп» и индикацию.
Заказчик предупрежден об ответственности за выход насоса Иртыш ЦМЛ 125/100 из строя из-за неполного комплекса защит. Для гарантированной работы приобретайте штатные шкафы управления серии и заказывайте пусконаладочные работы у наших специалистов.

