Электронасос наружный серии «Иртыш» типа ЦМЛ 300/235.420-200/4-300
Электронасос Иртыш ЦМЛ 300/235.420-200/4-300 — мощный наружный центробежный моноблочный насос для крупных систем водоснабжения, орошения и перекачки воды. Данная модель электронасоса Иртыш ЦМЛ 300/235 работает в диапазоне расходов от 600 до 1300 м³/ч при напорах от 35,5 до 46 метров водяного столба. В этом обзоре представлены характеристики, расшифровка маркировки и требования к системе управления электронасосом Иртыш ЦМЛ 300/235. Для подбора аналогов перейдите в наш каталог насосного оборудования.
Основные параметры электронасоса Иртыш ЦМЛ 300/235:
Расход (Q): от 600 до 1300 м³/ч
Напор (H): от 35,5 до 46 м.в.с.
Артикул: уточнить при заказе
Расшифровка обозначения насоса ЦМЛ 300/235.420
Маркировка электронасоса Иртыш ЦМЛ — ЦМЛ 300/235.420-200/4-300 — раскрывает его конструктивные особенности:
- Ц — центробежный;
- М — моноблочный;
- Л — линейный;
- 300 — номинальный диаметр напорного патрубка, мм;
- 235 / 420 — номинальные диаметры рабочего колеса, мм;
- 200 — номинальная мощность электродвигателя, кВт;
- 4 — число полюсов (низкооборотный);
- 3 — стационарный моноблочный вертикальный;
- 0 — без шкафа защиты и управления;
- 0 — без защиты.
Шкаф защиты для электронасоса Иртыш ЦМЛ 300/235
Внимание! НАСОС НЕ УКОМПЛЕКТОВАН ШКАФОМ ЗАЩИТЫ СЕРИИ ИРТЫШ!
Для безопасной эксплуатации мощного электронасоса ЦМЛ 300/235 необходимо использовать штатный шкаф управления серии «Иртыш». Его конструкция соответствует требованиям ГОСТ Р 52726 и ПУЭ. Использование другого шкафа снимает гарантийные обязательства при выходе насоса Иртыш ЦМЛ из строя.
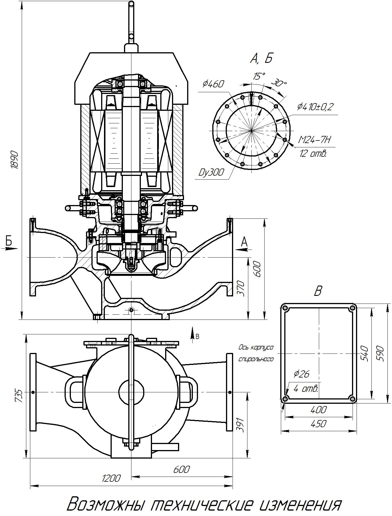
Общий вид и габаритные размеры электронасоса Иртыш ЦМЛ 300/235
На схеме показан общий вид и монтажные размеры мощного моноблочного насоса ЦМЛ 300/235.420. Эта информация необходима для проектирования надежного фундамента и трубопроводной обвязки насоса Иртыш ЦМЛ 300/235.

Внимание! Конструкция электронасоса серии «Иртыш» ЦМЛ может меняться. Актуальные чертежи и массогабаритные параметры уточняйте у менеджеров.
Параметры рабочей точки насоса Иртыш ЦМЛ 300/235
Основные параметры электронасоса Иртыш ЦМЛ 300/235 в рабочей точке:
| Производительность, Q | 1080 м³/ч |
| Напор, Н | 40 м |
| Потребляемая мощность, Nпотр | 155 кВт |
| КПД агрегата, η | 71% |
Технические характеристики центробежного насоса ЦМЛ 300/235:
| Вариант монтажа | в линию |
| Диаметр напорного патрубка, Ду | 300 мм |
| Диаметр всасывающего патрубка, Ду | 300 мм |
| Тип рабочего колеса | многоканальное |
| Макс. размер частиц | 2 мм |
| Тип уплотнения вала | торцовое |
| Материал уплотнения | карбид кремния |
| Материал рабочего колеса | чугун СЧ20 |
| Материал корпуса | чугун СЧ20 |
Параметры электродвигателя электронасоса Иртыш ЦМЛ 300/235
| Номинальная мощность | 200 кВт |
| Напряжение | 380 В |
| Частота тока | 50 Гц |
| Номинальный ток | 356 А |
| Число полюсов | 4 |
| Частота вращения | 1486 об/мин |
| Сos φ | 0,88 |
| КПД двигателя | 95,6% |
| Соединение обмоток | Δ (треугольник) |
| Класс нагревостойкости | F |
| Класс энергоэффективности | ie1 |
| Степень защиты | IP 54 |
| Шкаф защиты в комплекте | нет |
Ресурс насосного агрегата Иртыш ЦМЛ 300/235
| Средняя наработка на отказ | 7000 часов |
| Средний ресурс до ТО | 20000 часов |
| Средний срок службы | 20 лет |
| Расчетная масса агрегата | 2500 кг |
Для обеспечения заявленного ресурса мощного моноблочного электронасоса Иртыш ЦМЛ 300/235 критически важно соблюдать правила эксплуатации и применять только рекомендованные шкафы управления.
Рабочие характеристики электронасоса Иртыш ЦМЛ 300/235
На графике показана зависимость напора, потребляемой мощности и КПД насоса ЦМЛ 300/235 от расхода. Это основной технический документ для подбора и эксплуатации высокопроизводительного электронасоса Иртыш ЦМЛ 300/235. Для понимания принципов работы таких агрегатов рекомендуем изучить наш материал об устройстве центробежных насосов.

Защиты для электронасосов «Иртыш» ЦМЛ 300/235
Безаварийная работа мощного насоса серии Иртыш ЦМЛ 300/235 требует обязательной реализации полного комплекса защит:
- Защиты по встроенным датчикам (наличие и тип уточняйте у производителя);
- Автоматический выключатель, точно подобранный по номинальному току двигателя;
- Тепловая защита (защита от перегрузки) двигателя;
- Контроль правильности чередования фаз;
- Контроль уровня напряжения в сети (повышенное/пониженное);
- Защита от перегрузки по току и перекоса фаз;
- Контроль отсутствия (обрыва) одной или более фаз питания;
- Контроль сопротивления изоляции обмоток статора;
- Защита от «сухого» хода.
Для двигателей мощностью 200 кВт обязательно применение устройств плавного пуска или частотных преобразователей. Шкаф управления должен иметь ручной и автоматический режимы, кнопки «Пуск»/»Стоп» и световую индикацию состояния.
Заказчик предупрежден об ответственности за выход насоса Иртыш ЦМЛ 300/235 из строя в случае нереализации указанных защит. Для гарантированной работы приобретайте штатные шкафы управления серии и заказывайте профессиональные пусконаладочные работы.

