Электронасос наружный серии «Иртыш» типа ЦМЛ 250/315.360-90/4-300
Электронасос Иртыш ЦМЛ 250/315.360-90/4-300 — наружный центробежный моноблочный насос для перекачки воды в системах водоснабжения и орошения. Данная модель электронасоса Иртыш ЦМЛ 250/315 работает в диапазоне расходов от 350 до 700 м³/ч при напорах от 28 до 42 метров водяного столба. В этом обзоре представлены характеристики, расшифровка маркировки и требования к системе управления электронасосом Иртыш ЦМЛ 250/315. Для подбора аналогов перейдите в наш каталог насосного оборудования.
Основные параметры электронасоса Иртыш ЦМЛ 250/315:
Расход (Q): от 350 до 700 м³/ч
Напор (H): от 28 до 42 м.в.с.
Артикул: уточнить при заказе
Расшифровка обозначения насоса ЦМЛ 250/315.360
Маркировка электронасоса Иртыш ЦМЛ — ЦМЛ 250/315.360-90/4-300 — раскрывает его конструктивные особенности:
- Ц — центробежный;
- М — моноблочный;
- Л — линейный;
- 250 — номинальный диаметр напорного патрубка, мм;
- 315 / 360 — номинальный и фактический диаметры рабочего колеса, мм;
- 90 — номинальная мощность электродвигателя, кВт;
- 4 — число полюсов (низкооборотный);
- 3 — стационарный моноблочный вертикальный;
- 0 — без шкафа защиты и управления;
- 0 — без защиты.
Шкаф защиты для электронасоса Иртыш ЦМЛ 250/315
Внимание! НАСОС НЕ УКОМПЛЕКТОВАН ШКАФОМ ЗАЩИТЫ СЕРИИ ИРТЫШ!
Для безопасности электронасоса ЦМЛ 250/315 необходимо использовать шкаф управления серии «Иртыш». Его конструкция соответствует требованиям ГОСТ Р 52726 и ПУЭ. Производитель также рекомендует ознакомиться с рекомендациями по эксплуатации насосного оборудования. Использование другого шкафа снимает гарантийные обязательства при выходе насоса Иртыш ЦМЛ из строя.
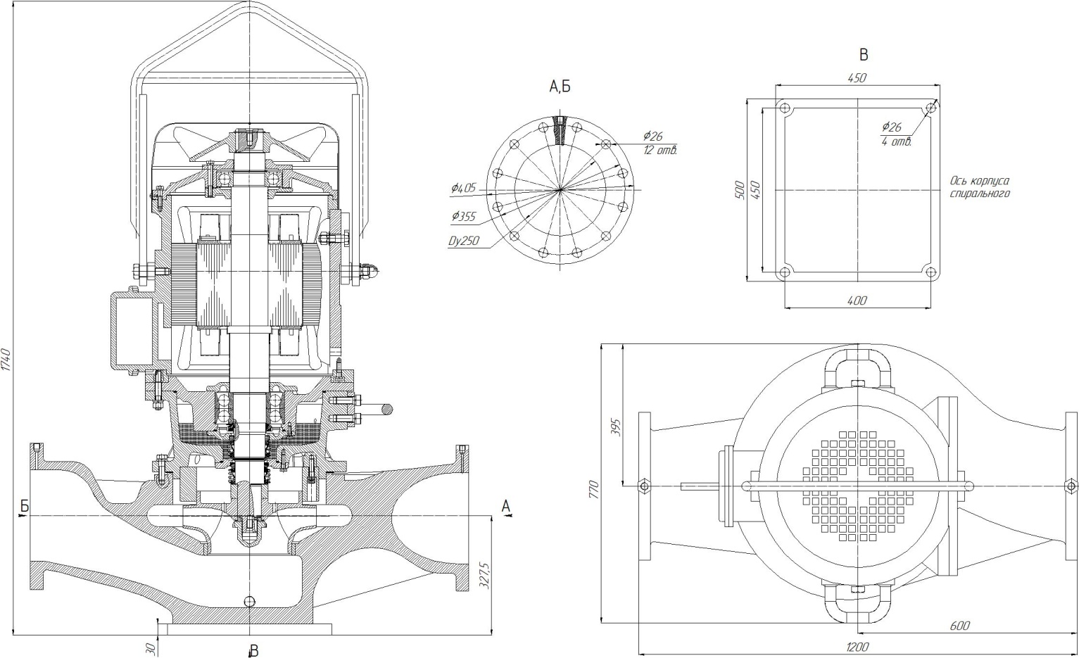
Общий вид и габаритные размеры электронасоса Иртыш ЦМЛ 250/315
На схеме показан общий вид и монтажные размеры моноблочного насоса ЦМЛ 250/315.360. Эта информация нужна для проектирования фундамента и обвязки трубопроводов насоса Иртыш ЦМЛ 250/315.

Внимание! Конструкция электронасоса серии «Иртыш» ЦМЛ может меняться. Актуальные чертежи уточняйте у менеджеров.
Параметры рабочей точки насоса Иртыш ЦМЛ 250/315
Основные параметры электронасоса Иртыш ЦМЛ 250/315 в рабочей точке:
| Производительность, Q | 630 м³/ч |
| Напор, Н | 32 м |
| Потребляемая мощность, Nпотр | 83 кВт |
| КПД агрегата, η | 61% |
Технические характеристики центробежного насоса ЦМЛ 250/315:
| Вариант монтажа | в линию |
| Диаметр напорного патрубка, Ду | 250 мм |
| Диаметр всасывающего патрубка, Ду | 250 мм |
| Тип рабочего колеса | многоканальное |
| Макс. размер частиц | 2 мм |
| Тип уплотнения вала | торцовое |
| Материал уплотнения | карбид кремния |
| Материал рабочего колеса | чугун СЧ20 |
| Материал корпуса | чугун СЧ20 |
Параметры электродвигателя электронасоса Иртыш ЦМЛ 250/315
| Номинальная мощность | 90 кВт |
| Напряжение | 380 В |
| Частота тока | 50 Гц |
| Номинальный ток | 164 А |
| Число полюсов | 4 |
| Частота вращения | 1485 об/мин |
| Сos φ | 0,88 |
| КПД двигателя | 95% |
| Соединение обмоток | Δ (треугольник) |
| Класс нагревостойкости | F |
| Степень защиты | IP 54 |
| Класс энергоэффективности | ie1 |
| Шкаф защиты в комплекте | нет |
Ресурс насосного агрегата Иртыш ЦМЛ 250/315
| Средняя наработка на отказ | 7000 часов |
| Средний ресурс до ТО | 20000 часов |
| Средний срок службы | 20 лет |
| Расчетная масса агрегата | 1300 кг |
Для обеспечения ресурса моноблочного электронасоса Иртыш ЦМЛ 250/315 соблюдайте правила эксплуатации и применяйте рекомендованные шкафы управления.
Рабочие характеристики электронасоса Иртыш ЦМЛ 250/315
На графике показана зависимость напора, мощности и КПД насоса ЦМЛ 250/315 от расхода. Это основной документ для подбора электронасоса Иртыш ЦМЛ 250/315. Для детального изучения принципов работы таких агрегатов рекомендуем ознакомиться с нашим обзором устройства центробежных насосов.

Защиты для электронасосов «Иртыш» ЦМЛ 250/315
Безаварийная работа насоса серии Иртыш ЦМЛ 250/315 требует реализации комплекса защит:
- Защиты по встроенным датчикам (наличие и тип уточняйте у производителя);
- Автоматический выключатель по току двигателя;
- Тепловая защита двигателя;
- Контроль чередования фаз;
- Контроль напряжения;
- Защита от перегрузки и перекоса фаз;
- Контроль отсутствия фазы;
- Контроль сопротивления изоляции;
- Защита от «сухого» хода.
Для двигателей мощностью свыше 3 кВт рекомендуются устройства плавного пуска или частотные преобразователи. Шкаф управления должен иметь ручной и автоматический режимы, кнопки «Пуск»/»Стоп» и индикацию.
Заказчик предупрежден об ответственности за выход насоса Иртыш ЦМЛ 250/315 из строя из-за неполного комплекса защит. Для гарантированной работы приобретайте штатные шкафы управления серии и заказывайте пусконаладочные работы у наших специалистов.

